Uporedne oznake
-po proizvođaču ležaja:
FKL: IL2-117-M24-D
SKF: BAA0013
-po kataloškom br. korisnika:
- 750350 VOGEL NOOT
- IL50-98/6T-M24
- BAA-0013
Product Videos
Custom Field
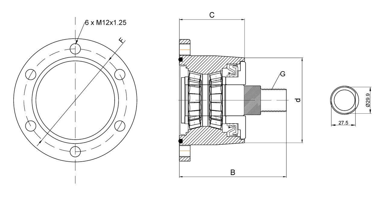
[d] 82 mm
Spoljni prečnik [D] 117,5 mm
Širina [B] 103,3 mm
Širina [C] 64 mm
G M24 X 2 mm
F 98 mm