Uporedne oznake
-po proizvođaču ležaja:
FKL: IL2-117-M22-D, IL50-98/4T-M22
SKF: BAA0004
INA: F-673270.04.TILL
NTN: HUA11-4M12-S01
NSK: AHU28117AS-01
FLT: ZPK 001
PFI: PHA0004
RFB: PN60035
-po kataloškom br. korisnika:
- MASCHIO F06160015
Product Videos
Custom Field
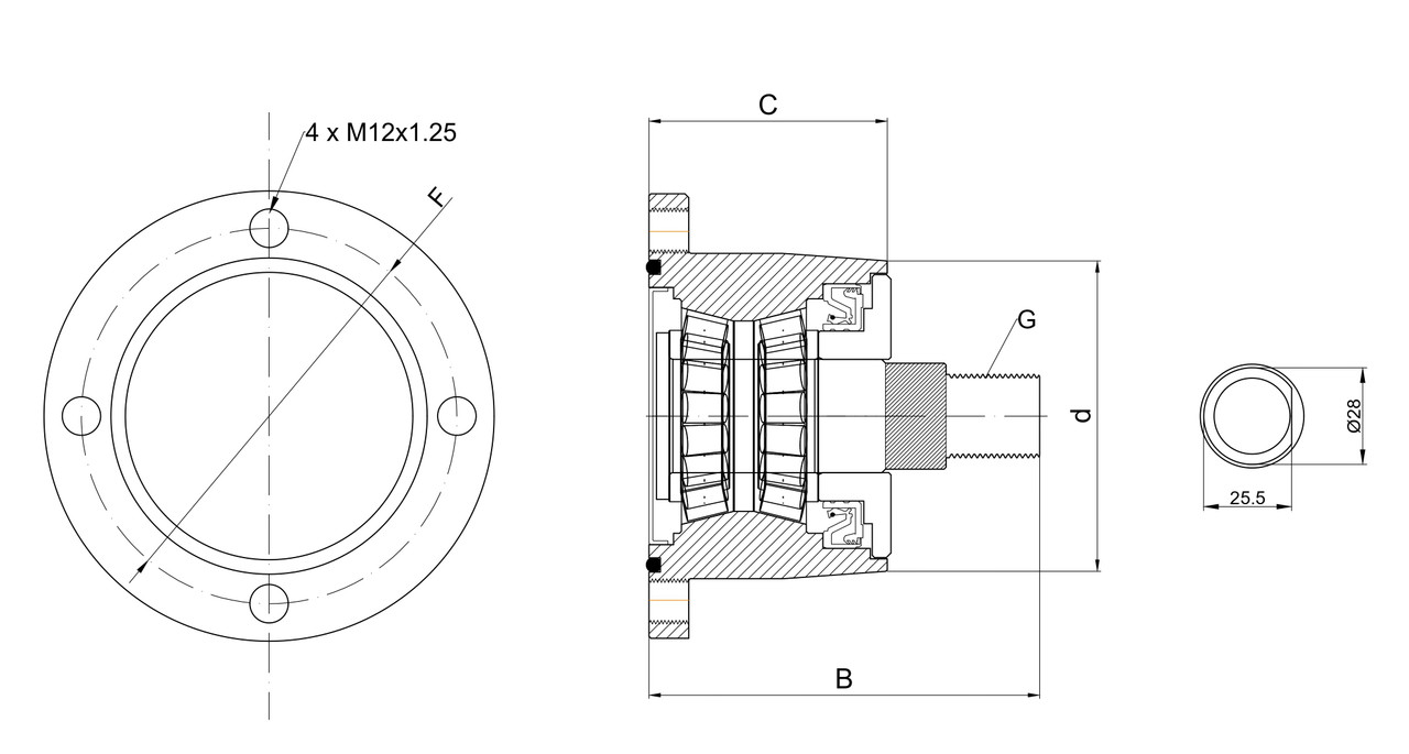
[d] 82 mm
Spoljni prečnik [D] 117,5 mm
Širina [B] 103,3 mm
Širina [C] 64 mm
G M22 X 1.5 mm
F 98 mm