Uporedne oznake
-po proizvođaču ležaja:
FKL: IL2-117-M24-H
SKF: BAA0005
-po kataloškom br. korisnika:
- IL50-98/4T-M24
Product Videos
Custom Field
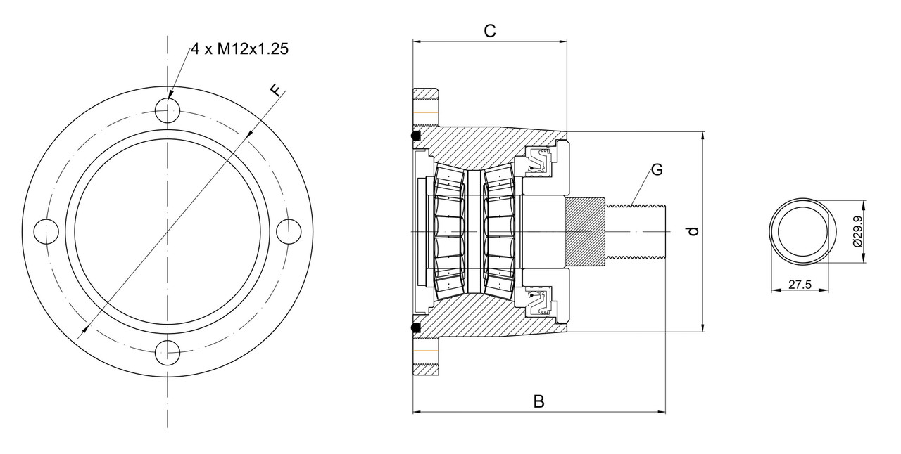
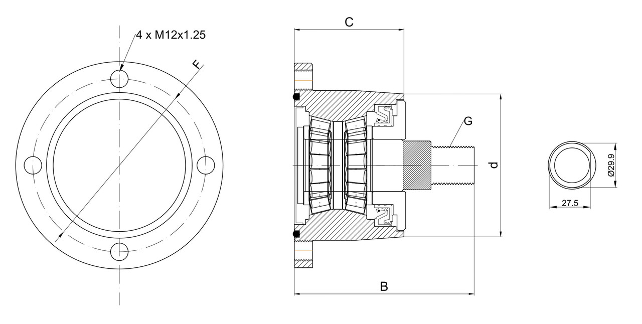
Unutrašnji prečnik [d] 82 mm
Spoljni prečnik [D] 117 mm
Širina unutrašnjeg prstena [B] 106 mm
Širina spoljnog prstena [C] 63 mm
G M24 X 2 mm
F 98 mm