Uporedne oznake
-po proizvođaču ležaja:
FKL: LE 205
SKF: YAR205
FAG: GYE25-KRR-B
NTN: UC 205
Product Videos
Custom Field
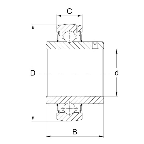
Unutrašnji prečnik [d] 25 mm
Spoljni prečnik [D] 52 mm
Širina unutrašnjeg prstena [B] 34,1 mm
Širina spoljnog prstena [C] 15 mm
Tip otvora Cilindričan
Oblik spoljnog prstena Sferičan