Uporedne oznake
-po proizvođaču ležaja:
FKL: ZGKU 208 2S
-po kataloškom br. korisnika:
GASPARDO M43400467
GASPARDO M43400467R
GASPARDO 43400467
GASPARDO M38100907R
23400437, 23400772, 43400467, 23400437R, 23400772R, , M23400437, M23400772, M23400772R, M38100989
Product Videos
Custom Field
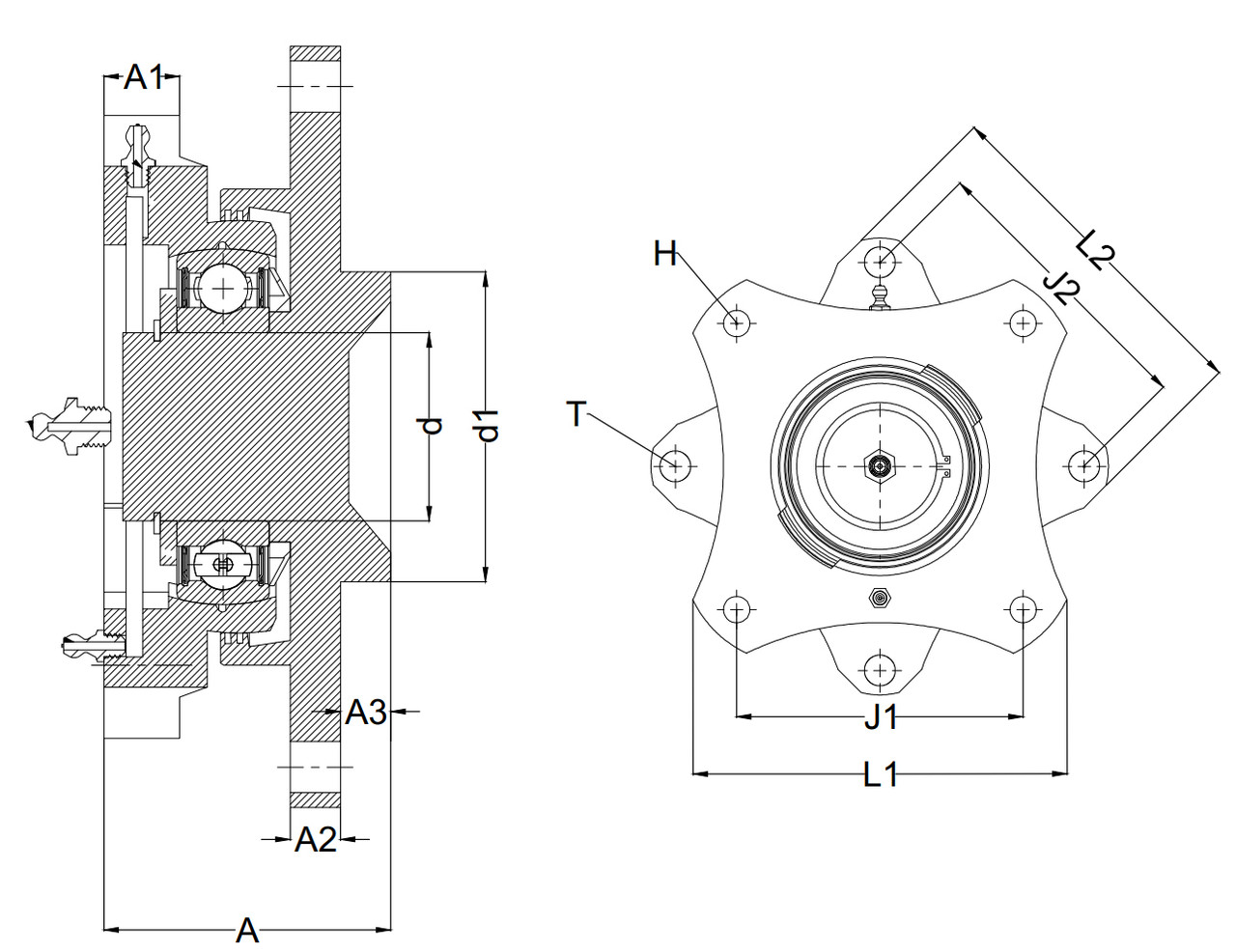
d 40 mm
d1 74 mm
J1 80 mm
L1 112 mm
J2 92 mm
L2 120 mm
A 47 mm
A1 11 mm
A2 6 mm
A3 6 mm
T 4x12x1.25
H 4x10 mm
Tip kućišta Liveno