Uporedne oznake
-po kataloškom br. korisnika:
- 4.061
- 4061
- MR027
Product Videos
Custom Field
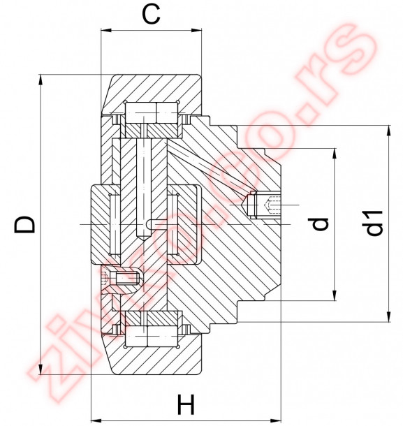
d 60 mm
Spoljni prečnik [D] 107,7 mm
Širina spoljnog prstena [C] 31 mm
d1 71 mm
H 69 mm