Uporedne oznake
-po proizvođaču ležaja:
SKF: PFD 47
FAG: FLAN47-MSTR
NTN: PFT204
Product Videos
Custom Field
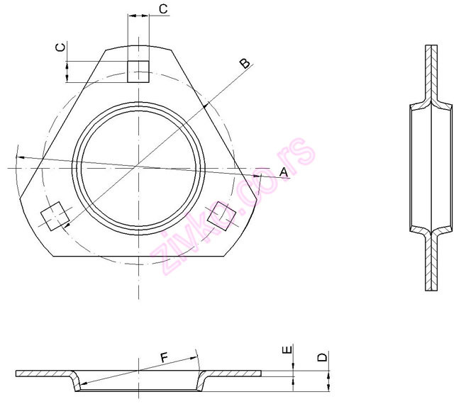
[D] 8 mm
[B] 71 mm
[C] 9 mm
[A] 90 mm
[D1] 2 mm
F 47 mm
Tip kućišta Limeno