Uporedne oznake
-po kataloškom br. korisnika:
JOHN DEERE: AA30941, AA28184, AA27172, A34793
- DS209TTR13
- GW209PPB13
Product Videos
Custom Field
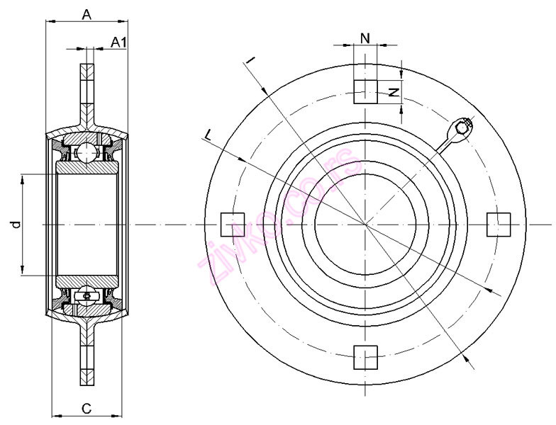
Unutrašnji prečnik [d] 45,07 mm
[C] 36,53 mm
A 49,5 mm
A1 3,5 mm
L 120,5 mm
I 150 mm
Tip otvora Cilindričan
Tip kućišta Limeno